

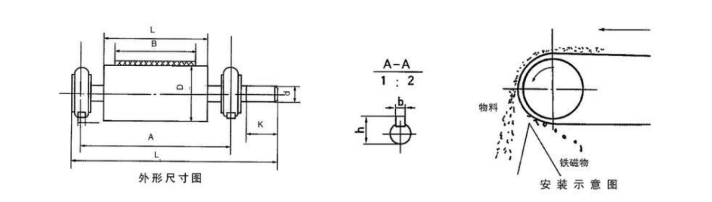
RCT ( RCTG)系列永磁滚简亦称磁滑轮或干式大块磁选机。其内部采用高性能硬磁材料组成复合磁系,具有磁场强度高、深度大、结构简单、使用方便、不需维修、不消耗电力、常年使用不退磁等特点。可用于水泥、磁选、矿山、钢铁、化工、耐火材料、垃圾处理等行业的选铁。与DT-75型、AD- -80型通用固定式皮带输送机配套使用代替主动轮或从动轮,也可与专用皮带输送机配套使用,特别适用于钢渣、矿渣、水渣的连续自动除铁。
RCT (RCTG) series of permanent magnet rolling simple also known as magnetic pulley or dry block magnetic separator. Its internal use of high-performance hard magnetic materials composed of composite magnetic system, with high magnetic field strength, depth, simple structure, easy to use, no maintenance, no power consumption, year-round use of no demagnetization and other characteristics. Can be used for cement, magnetic separation, mining, iron and steel, chemical, refractory materials, waste treatment and other industries of iron separation. With DT-75, AD- -80 type general fixed belt conveyor matching use instead of driving wheel or driven wheel, can also be used with special belt conveyor matching, especially suitable for steel slag, slag, water slag continuous automatic iron removal.






